Skip to main content

Werk24 Client to read PDF- and Image-based Technical Drawings / Engineering Drawings

Project description

Werk24 Client

Werk24

pypi Tests | cpython 3.8, 3.9, 3.10

Features

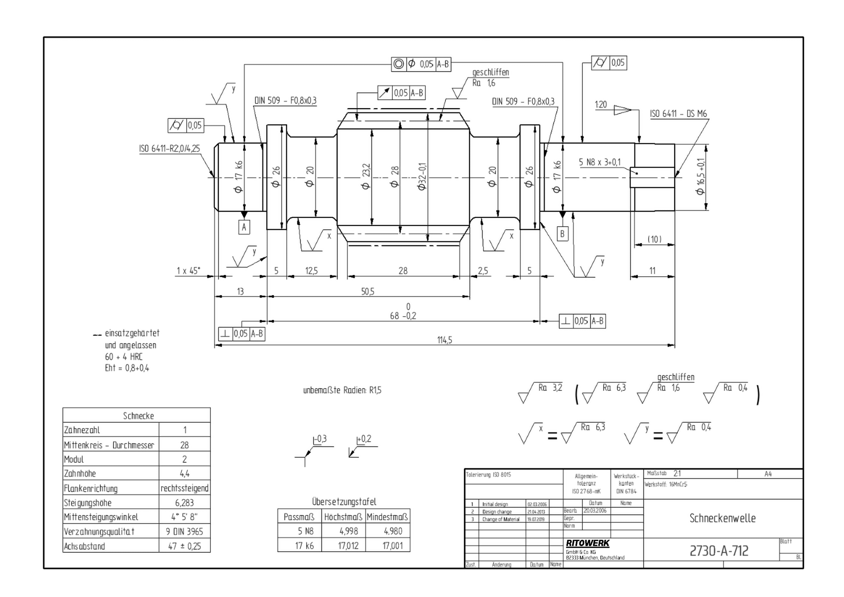
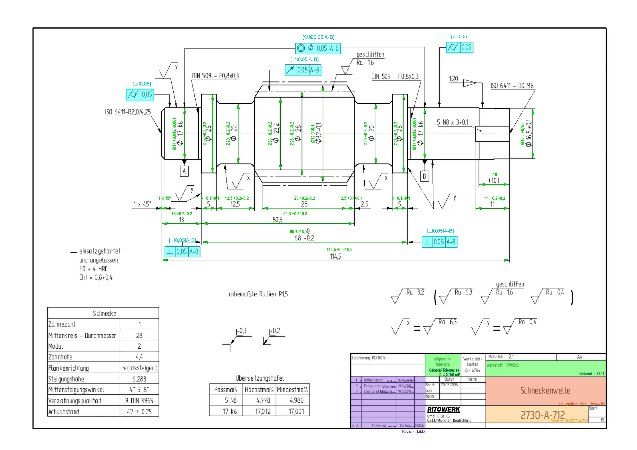
When submitting a PDF, PNG, JPEG of a Technical Drawing to Werk24's API, you receive within seconds the following features:

  • Measures and Tolerances
  • Threads and Chamfers
  • Geometric Dimensioning and Tolerancing frames
  • External Dimensions
  • Surface Roughnesses
  • the Title Block information (Material, Drawing ID, Designation, General Tolerances)

And finally you can obtain a CAD Approximation of the part's Geometry. Currently this features is focused on flat parts, such as sheet metal parts, but more is in the pipeline.

Check our website at https://werk24.io.

Input Output
Werk24 Werk24
Original drawing by T. Hartmann (CC)

Applications

Typical applications of our Technology include

  • Instant Pricing on 2D Engineering Drawings
  • Feasibility Checks on incoming RFQs
  • Auto-Fill of Online Configurators
  • Automated Anonymiziation of Technical Drawings
  • Automated Supplier Scouting
  • Automated Registration of incoming RFQs into your ERP system
  • Structured Archiving

Installation

Pip installation

pip install werk24

Documentation

See https://werk24.io/docs/index.html

CLI

To get a first impression, you can run the CLI:

usage: w24cli techread [-h] [--ask-techread-started] [--ask-page-thumbnail]
                   [--ask-sheet-thumbnail] [--ask-sectional-thumbnail]
                   [--ask-variant-measures]
                   input_files

Example

from werk24 import Hook, W24TechreadClient, W24AskVariantMeasures

async def read_measures_from_drawing(document_bytes:bytes) -> None:

    # define what you want to learn about the drawing, and what function
    # should be called when a response arrives
    hooks = [Hook(ask=W24AskVariantMeasures(), function=print)]

    # make the call
    client = W24TechreadClient.make_from_env()
    async with client as session:
        await session.read_drawing_with_hooks(document_bytes,hooks)

Project details


Release history Release notifications | RSS feed

Download files

Download the file for your platform. If you're not sure which to choose, learn more about installing packages.

Source Distribution

werk24-1.7.0.tar.gz (479.8 kB view details)

Uploaded Source

Built Distribution

If you're not sure about the file name format, learn more about wheel file names.

werk24-1.7.0-py3-none-any.whl (508.1 kB view details)

Uploaded Python 3

File details

Details for the file werk24-1.7.0.tar.gz.

File metadata

  • Download URL: werk24-1.7.0.tar.gz
  • Upload date:
  • Size: 479.8 kB
  • Tags: Source
  • Uploaded using Trusted Publishing? No
  • Uploaded via: twine/4.0.2 CPython/3.7.17

File hashes

Hashes for werk24-1.7.0.tar.gz
Algorithm Hash digest
SHA256 b905f865b9061fb45d33eb8c9079e709024c6bff10756f8e812f27dd63bfc265
MD5 f010c36c54ab772be0aad2f0cf083fbb
BLAKE2b-256 e06ccd73dea2f870de7b1886beb64204f7bead9c6d229bfc5530e57c01fab65e

See more details on using hashes here.

File details

Details for the file werk24-1.7.0-py3-none-any.whl.

File metadata

  • Download URL: werk24-1.7.0-py3-none-any.whl
  • Upload date:
  • Size: 508.1 kB
  • Tags: Python 3
  • Uploaded using Trusted Publishing? No
  • Uploaded via: twine/4.0.2 CPython/3.7.17

File hashes

Hashes for werk24-1.7.0-py3-none-any.whl
Algorithm Hash digest
SHA256 3744e04740d08000b636e7196bc0953932817d339ffe0e60747633a2a118a8e5
MD5 e7592c7acb45cd087587cc0aec00bb92
BLAKE2b-256 62e739d949573cc58d8044e4560a6a145241a9629deb9bef05512bf9cbbb9b03

See more details on using hashes here.

Supported by

AWS Cloud computing and Security Sponsor Datadog Monitoring Depot Continuous Integration Fastly CDN Google Download Analytics Pingdom Monitoring Sentry Error logging StatusPage Status page