Generate schemdraw diagrams from YAML files or Python dictionaries.
Project description
yaml-to-schemdraw
Generate schemdraw diagrams from YAML files or Python dictionaries.
pip install yaml-to-schemdraw
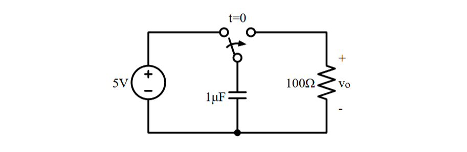
The following YAML spec:
V1:
- elements.SourceV
- label: ["5V"]
line1:
- elements.Line
- right: [0.75]
S1:
- elements.SwitchSpdt2: [{ action: close }]
- up
- anchor: ["b"]
- label: ["$t=0$", { loc: rgt }]
line2:
- elements.Line
- right: [0.75]
- at: ["S1.c"]
R1:
- elements.Resistor
- down
- label: ["$100\\Omega$"]
- label: [["+", "$v_o$", "-"], { loc: bot }]
line3:
- elements.Line
- to: ["V1.start"]
C1:
- elements.Capacitor
- at: ["S1.a"]
- toy: ["V1.start"]
- label: ["1$\\mu$F"]
- dot
Represents the equivalent Python code:
with schemdraw.Drawing() as d:
V1 = elm.SourceV().label('5V')
elm.Line().right(d.unit*.75)
S1 = elm.SwitchSpdt2(action='close').up().anchor('b').label('$t=0$', loc='rgt')
elm.Line().right(d.unit*.75).at(S1.c)
elm.Resistor().down().label(r'$100\Omega$').label(['+','$v_o$','-'], loc='bot')
elm.Line().to(V1.start)
elm.Capacitor().at(S1.a).toy(V1.start).label(r'1$\mu$F').dot()
And can be loaded with this library as follows:
Usage
from yaml_to_schemdraw import from_yaml_file
# "from_yaml_string" and "from_dict" are also available
diagram = from_yaml_file("diagram.yaml")
You can now call diagram.draw() or diagram.save("diagram.svg") as usual.
Why?
Schemdraw was always intended to be used as a Python library, with developers manually writing diagrams in code.
However, when it comes to accepting diagram definitions provided by clients through the network or originating from an untrusted environment, the naive approach of running arbitrary Python code with a function like exec() poses a significant security risk.
This module proposes an alternative, declarative way to represent Schemdraw diagrams as a YAML file or a Python dictionary.
How it works
The module parses the dictionary and resolves the function calls against the schemdraw library.
Internally, it uses getattr() to resolve function calls, with an attribute allowlist to prevent module escalation.
It can easily and safely parse most of the schemdraw circuit gallery.
If you encounter any valid diagrams that cannot be parsed (or easily adapted into something that this module can parse), please open an issue.
Project details
Release history Release notifications | RSS feed
Download files
Download the file for your platform. If you're not sure which to choose, learn more about installing packages.
Source Distribution
Built Distribution
Filter files by name, interpreter, ABI, and platform.
If you're not sure about the file name format, learn more about wheel file names.
Copy a direct link to the current filters
File details
Details for the file yaml_to_schemdraw-0.1.2.tar.gz.
File metadata
- Download URL: yaml_to_schemdraw-0.1.2.tar.gz
- Upload date:
- Size: 9.4 kB
- Tags: Source
- Uploaded using Trusted Publishing? No
- Uploaded via: uv/0.10.2 {"installer":{"name":"uv","version":"0.10.2","subcommand":["publish"]},"python":null,"implementation":{"name":null,"version":null},"distro":null,"system":{"name":null,"release":null},"cpu":null,"openssl_version":null,"setuptools_version":null,"rustc_version":null,"ci":null}
File hashes
| Algorithm | Hash digest | |
|---|---|---|
| SHA256 |
5abd2ff5cdf8b9eae9317659e7d6a6434eb7a2eaeda651c00ec57cf3bd52b55c
|
|
| MD5 |
ea9839dba25b8317cfd78d01f2cc08d0
|
|
| BLAKE2b-256 |
63d1270eaf7e12730f3487af87f9310fd4f147172700c76d9a67e1f63bb50e12
|
File details
Details for the file yaml_to_schemdraw-0.1.2-py3-none-any.whl.
File metadata
- Download URL: yaml_to_schemdraw-0.1.2-py3-none-any.whl
- Upload date:
- Size: 8.2 kB
- Tags: Python 3
- Uploaded using Trusted Publishing? No
- Uploaded via: uv/0.10.2 {"installer":{"name":"uv","version":"0.10.2","subcommand":["publish"]},"python":null,"implementation":{"name":null,"version":null},"distro":null,"system":{"name":null,"release":null},"cpu":null,"openssl_version":null,"setuptools_version":null,"rustc_version":null,"ci":null}
File hashes
| Algorithm | Hash digest | |
|---|---|---|
| SHA256 |
d0bb3b6e330df667a760fbf59fee7b26cf5f13c63af00a08d96b6ddfa094e595
|
|
| MD5 |
2cf70f847d42237db153411ed138498b
|
|
| BLAKE2b-256 |
385daa44c6f4f6352ff2c801169a50dc59479debbd04b01d2993138223cc3479
|